Buch1 > Anhang Hardware > Geräte am 2TSM(-R)-Modul anschliessen > Türöffner (oder andere Geräte) an ein Relais anschließen
Türöffner (oder andere Geräte) an ein Relais anschließen
* Warnung: Überspannungen, wie sie bei Gewitter auftreten, können zu einem lebensgefährlichen elektrischen Schlag führen.
Öffnen Sie eine bereits angeschlossene Anlage nicht während eines Gewitters. Verzichten Sie während eines Gewitters auch auf das Trennen und Anschließen von Leitungen.
Voraussetzungen:
Installationskabel (z. B. J-Y(St)Y nx2x0,6) mit folgenden Merkmalen:
-mindestens zwei Adern
-ungeschirmt; aber: geschirmt bei ungünstigen Bedingungen wie der Nähe eines starken Senders oder einer Starkstromleitung
Ein Klingeltrafo zur Versorgung des Türöffners (oder des anzuschließenden Geräts)
* Hinweis: Entnehmen Sie Hinweise zur benötigten Versorgungsspannung der Dokumentation des Türöffners (oder des anzuschließenden Geräts.
* Warnung: Zu hohe Spannung an den Relaiskontakten kann die TK-Anlage beschädigen oder zerstören.
-Beachten Sie die maximale Belastbarkeit der Relaiskontakte mit 30 V/1 A.
-Verwenden Sie ein Vorschaltrelais, wenn Sie netzspannungsbetriebene Geräte schalten möchten.


1.Verlegen Sie die Leitungen.
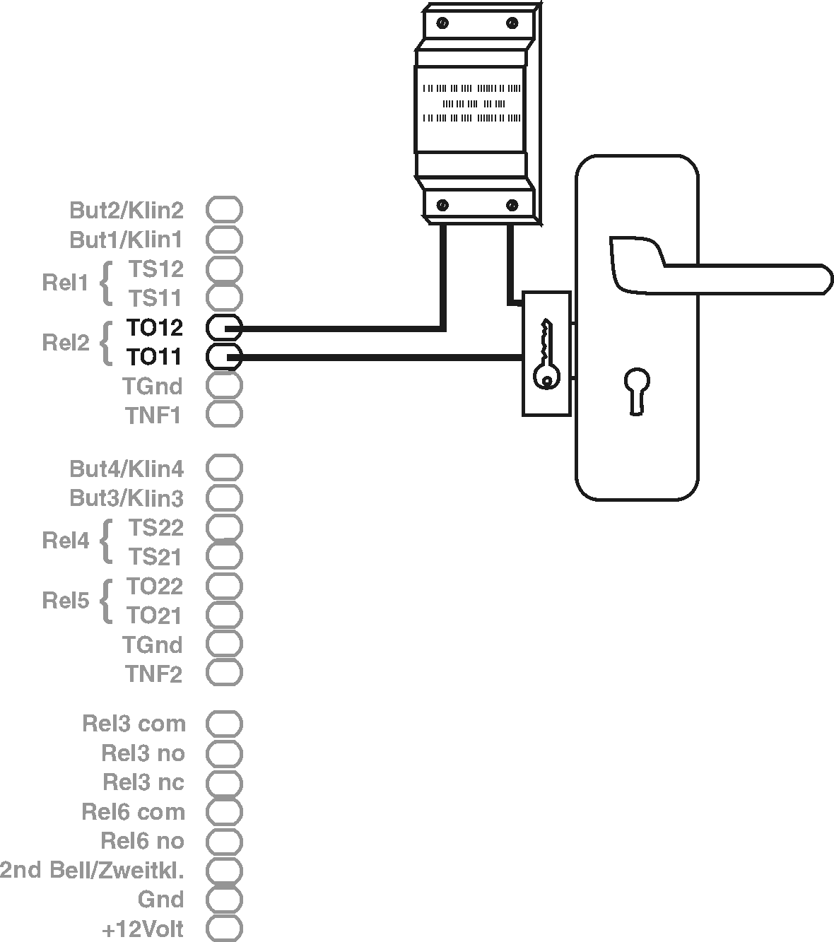
2.Verbinden Sie die Klemme TO11 (oder TO21) mit dem Schalteingang des Türöffners.
3.Verbinden Sie die Klemme TO12 (oder TO22) mit dem Klingeltrafo.
4.Verbinden Sie den Klingeltrafo mit dem Schalteingang des Türöffners.
* Hinweis: Das dritte und das sechste Relais stellen außerdem einen Ruhestromkontakt (Öffner) zur Verfügung.


Weitere Schritte:
Stellen Sie im Anschluss an die Inbetriebnahme im Konfigurationsmanager das COMmander 2TSM(-R)-Modul ein und richten Sie die betreffende Türstation ein.